
聯系人:雷小姐
手機:19370567831
直線:17317559141
郵箱:dxlink@126.com
企業官網:http://www.dx-link.cn
公司主頁:http://www.mediactive.cn
地址:上海市松江區 泗涇鎮泗磚路351號6號樓B05-1交大科創園

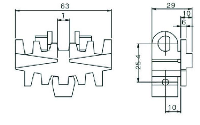
DXFC63XD柔性鏈

一、平板柔性鏈,楔鏈,V型鏈,摩擦頂鏈,鋼頂鏈,彈性楔鏈,全貼膠鏈,刮板鏈,煙節鏈板,左提升鏈板,右提升鏈板,
通用鏈板,滾輪頂鏈,滾輪楔鏈,柔性鏈,齒形鏈,柔性輸送鏈,齒形輸送鏈,轉彎柔性鏈,塑料柔性鏈,輸送柔性鏈,V
型柔性鏈,植絨柔性鏈,柔性輸送鏈,柔性鋼頂鏈,柔性楔鏈,柔性鏈板,柔性側彎鏈,彈性楔鏈。
二、柔性輸送梁,輸送梁,柔性傳輸裝置梁,水平半梁,對邊夾,主梁連接梁,連接條,墊片專用安裝工具,梁用塑料墊片
,塑料螺絲,頭部驅動裝置,柔性輸送驅動裝置,水平回轉驅動裝置,調寬座,轉向盒,手輪,軸,尾部輪裝置,
三、水平輪彎頭,水平普通彎頭,垂直彎頭,柔性鏈垂直彎頭
四、護欄類:大C加鋁軌,大C加鋁軌連接塊,新型護欄,新型護欄連接塊,轉彎單排滾珠護欄,可調整護欄支架,固定護欄
支架,護欄,連接套,護欄夾,大十字承夾,小十字承夾,鋁管,扁鋁管,立字接頭,T字接頭,調節圓棒,角接件,定距塊
,護欄支架V型。
五、支撐梁,角鋁,鋁腳座,碳鋼烤漆腳座,腳座板,端板,可調腳座,梁支撐架,盛滴托盤,盛滴托盤支架,護欄支架,
定距塊,鋁型材線槽,角撐板,彎圓機,
六、T型螺栓,方螺母,彈性螺母,螺釘,鎖桿螺母,鎖桿螺釘,平墊圈,平墊圈。
七、柔性輸送配件,柔性輸送支撐梁,柔性輸送腳座,調整腳蹄,
八、柔性輸送系統類:柔性輸送機,柔性輸送系統,柔性流水線,柔性鏈輸送機,齒形鏈輸送機,柔性鏈輸送設備
?
? |
|||||||||
|
![]() |
||||||||
![]() |
|
?
?
?
?
? 上海典鑫自動化科技有限公司
? 地址:上海市松江區泗涇鎮泗磚路351號6號樓B05-1交大科創園
?
? 服務熱線:17717073522
?
??郵箱:dxlink@126.com
?
? 網址:http://www.mediactive.cn
?